BT-600基本型蠕動泵,流量3000L/min
BT-600基本型蠕動泵,流量3000L/min | 時間: January-14 13:16:17 | 分類:其它儀器
凌儀生物提供高速離心機,美國Bio-rad伯樂電泳,德國eppendorf艾本德移液器,美國ABI基因擴增儀PCR,雅培原位雜交儀,Thermo熱電離心機等實驗室儀器設備,以及Corning康寧,Axygen愛思進,Greiner格瑞拉等耗材要省錢,別錯過哦。
BT-600基本型蠕動泵功能介紹:
■ 4位LED轉速顯示(分辨率0.1),具備定時及分裝功能
■ 接受腳踏開關、模擬量及485通訊協議外部控制
■ 可裝配153Yx、253Yx、314D、DGx等多種型號泵頭
■ 提供黑色的PPS材質泵頭、淺色的PSU材質泵頭供選
■ 提供塑箱外殼及不銹鋼外箱供選
■ 生物醫藥、化工、環保、果汁飲料、印刷、原子能、電子
■ 接受腳踏開關、模擬量及485通訊協議外部控制
■ 可裝配153Yx、253Yx、314D、DGx等多種型號泵頭
■ 提供黑色的PPS材質泵頭、淺色的PSU材質泵頭供選
■ 提供塑箱外殼及不銹鋼外箱供選
■ 生物醫藥、化工、環保、果汁飲料、印刷、原子能、電子
■ DG多通道、153Yx及253Yx泵頭可串聯,314D、DGx泵頭均不可串聯
■ 外箱有高分子塑料及不銹鋼供選
■ 外箱有高分子塑料及不銹鋼供選
■ 外部信號控制:接受腳踏開關、模擬量(0-5V 0-10V 4-20mA)信號及MODBUS通用協議
■ 標配:數顯驅動器、泵頭、軟管(任選兩米)、
■ 選配:腳踏開關、備用軟管、灌裝針頭、軟管接頭、防漂浮沉頭等
■ 黑色PPS材質泵頭可耐強腐蝕、淺色PSU材質泵頭可耐一般化學腐蝕
■ 該泵具有計時計數及存儲功能,可設置運行、停止時間及程序化次數,便于分裝及延時關機
■ 面板操作功能:啟停/正反轉/升降速/定時及分裝設置
■ 標配:數顯驅動器、泵頭、軟管(任選兩米)、
■ 選配:腳踏開關、備用軟管、灌裝針頭、軟管接頭、防漂浮沉頭等
■ 黑色PPS材質泵頭可耐強腐蝕、淺色PSU材質泵頭可耐一般化學腐蝕
■ 該泵具有計時計數及存儲功能,可設置運行、停止時間及程序化次數,便于分裝及延時關機
■ 面板操作功能:啟停/正反轉/升降速/定時及分裝設置
BT-600基本型蠕動泵技術參數:
| 轉速范圍 | 0.1-600.0rpm |
| 流量范圍 | 0.001-2.34L/min |
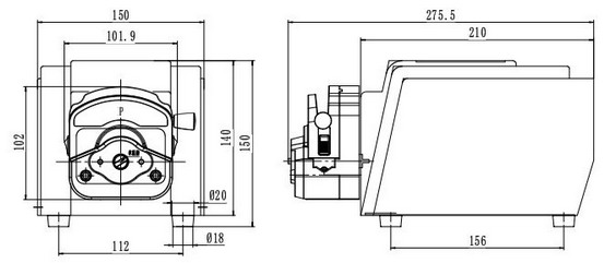
| 外形尺寸 | L275*W150*H140 |
| 整機重量、功率 | 3.2-4.2Kg ,功率54W |
| 工作環境 | -20-60℃,相對濕度小于85% |
| 適用電源 | Ac220V50/60Hz(Ac110V50/60Hz選配) |
| 較大壓力 | ≤0.17MP(軟管出口背壓) |
| 防護等級 | IP31 |
BT-600基本型蠕動泵,流量3000L/min
| 流量一覽表(ml/min,測試介質:清水,轉速) | |||||||||
| 泵頭型號 | 153Yx(314D) | 253Yx | |||||||
| 軟管型號 | 14# | 16# | 25# | 17# | 18# | 15# | 24# | 35# | 36# |
| 內徑×壁厚 | 1.6×1.6 | 3.1×1.6 | 4.8×1.6 | 6.4×1.6 | 7.9×1.6 | 4.8×2.4 | 6.4×2.4 | 7.9×2.4 | 9.7×2.4 |
| 參考流量 | 0.03-120 | 0.08-470 | 0.17-1120 | 0.3-1780 | 0.4-2200 | 0.2-900 | 0.3-1620 | 0.4-2340 | 0.5-3000 |
BT-600基本型蠕動泵,流量3000L/min
| 流量一覽表(mL/min,測試介質:清水,轉速) | ||||||
| 泵頭型號 | DG | DGx | ||||
| 軟管型號 | 1×1 | 2×1 | 3×1 | 14# | 16# | 25# |
| 內徑×壁厚 | 1×1 | 2×1 | 3×1 | 1.6×1.6 | 3.1×1.6 | 4.8×1.6 |
| 參考流量 | 0-10.09 | 0-29.43 | 0-49.23 | 0-150 | 0-450 | 0-593 |
蠕動泵尺寸:





